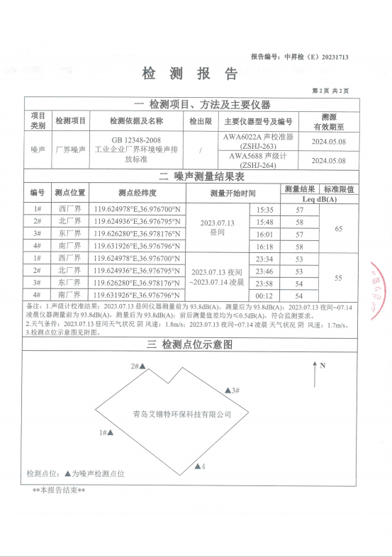
第三季度噪声监测1

发布日期: 2023-10-13 09:45:14


相关新闻

全国服务热线

0532-86637977

扫一扫联系我们

Copyright © 2018-2026 青岛艾镨特环保科技有限公司 版权所有 备案号:鲁ICP备2022005585号

技术支持:微动力网络